Cutting bush HSS DIN9845B 4 x 20

Price
12,35 €
prices excl. vat plus shipping costs

Stock status
subsequent delivery
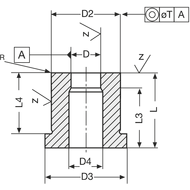
Cutting bushes, type B
  • Type B, bore rounded at both ends
  • Hardened and tempered HSS, ground inside and outside to a high level of tolerance compliance
  • Hardness 58 - 62 HRC
  • Tolerances: D = H8, D2 = k6
  • D increasing in 0.1 mm increments
  • Intermediate dimensions, larger diameters and type A available on request

  • Please specify nominal dimension D in mm, as a four digit figure! (e.g. 3.60 mm = 0360; 15.10 mm = 1510)

Short
Article no./ATORN no.
7345150400
Packaging unit
1
Catalogue page

Technical characteristics

Cutting material HSS
D 4 mm
D2 8 mm
D3 10 mm
D4 D + 0,5 mm
Form Countersink type B
L 20 mm
L3 17 mm
L4 16 mm
Standard constructional dimensions DIN DIN 9845B
T 0,01 mm